Subject: Wanted: Terex Crane Swing Bearing Enquiry


Date: 7/12/2025 5:33:24 PM

Details: Reviews 0

Dear Sirs,

 

Hope our email finds you well.

 

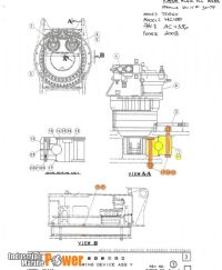
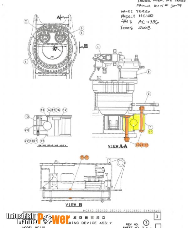
We are in the market for Swing bearing assembly, Item 11 for a Terex crane. Drawing attached. Will you be able to identify it and offer it?

 

Thank you very much.

Vivien Lee

To see the contact details please Login or Register
Contact Name:
Company Name:
Mobile Phone:
Phone:
Fax:
Country:
E-Mail:
Web:

Comments      Add New Message

Leave a reply

Replace the security code

We use cookies to improve your experience. By continuing to use our site, you accept our Cookies, Privacy Policy,Terms and Conditions. Close X